520h ignition wiring diagram

[DIAGRAM] Toro Wheel Horse 310 8 Wiring Diagram FULL Version HD Quality. 9 Pics about [DIAGRAM] Toro Wheel Horse 310 8 Wiring Diagram FULL Version HD Quality : 520h intermitent electrical problem - Wheel Horse Electrical, 416 with no lights. - Wheel Horse Electrical - RedSquare Wheel Horse Forum and also Ignition Coil Wiring Diagram Flame Thrower 3.

[DIAGRAM] Toro Wheel Horse 310 8 Wiring Diagram FULL Version HD Quality

[DIAGRAM] Toro Wheel Horse 310 8 Wiring Diagram FULL Version HD Quality dogday.museogilardi.it

520h

Ignition Coil Wiring Diagram Flame Thrower 3

Ignition Coil Wiring Diagram Flame Thrower 3 schematron.org

coil wiring ignition thrower flame diagram pertronix ignitions wires electronic ignitor distributor volt

Toro 22-11B301, 211-3 Tractor, 1985 Parts Diagram For ELECTRICAL SYSTEM

Toro 22-11B301, 211-3 Tractor, 1985 Parts Diagram for ELECTRICAL SYSTEM www.jackssmallengines.com

tractor wiring disabled javascript

[DIAGRAM] 8 Wheel Horse Wiring Diagram FULL Version HD Quality Wiring

[DIAGRAM] 8 Wheel Horse Wiring Diagram FULL Version HD Quality Wiring diagramrusinh.anpaa-lorraine.fr

wheelhorse

Wheel Horse 616z Wiring Diagram

Wheel Horse 616z Wiring Diagram schematron.org

wheel horse diagram wiring parts diagrams system onan listed hp note engine

520h Intermitent Electrical Problem - Wheel Horse Electrical

520h intermitent electrical problem - Wheel Horse Electrical www.wheelhorseforum.com

520h horse wheel electrical intermitent problem

416 With No Lights. - Wheel Horse Electrical - RedSquare Wheel Horse Forum

416 with no lights. - Wheel Horse Electrical - RedSquare Wheel Horse Forum www.wheelhorseforum.com

wheel horse lights switch wheelhorseforum

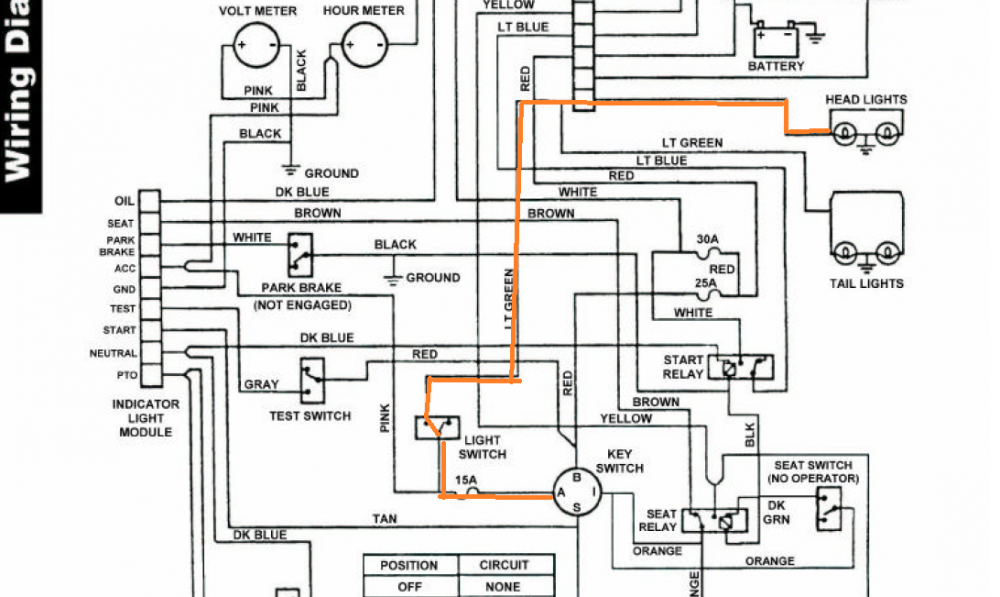
520H Wiring Questions - Wheel Horse Electrical - RedSquare Wheel Horse

520H Wiring questions - Wheel Horse Electrical - RedSquare Wheel Horse www.wheelhorseforum.com

wiring 520h questions wheel horse

Toro 01-11B803, 1100 Special Tractor, 1980 Parts Diagram For ELECTRICAL

Toro 01-11B803, 1100 Special Tractor, 1980 Parts Diagram for ELECTRICAL www.jackssmallengines.com

unable

Wheel horse lights switch wheelhorseforum. 520h horse wheel electrical intermitent problem. 416 with no lights.