66 chevy truck blinker wiring

Chevy 54 Truck Turn Signal Self-canceling Switch - The Stovebolt Forums. 15 Images about Chevy 54 Truck Turn Signal Self-canceling Switch - The Stovebolt Forums : Chevy Electrical Wiring Harness | Midway Muscle Car, 1965 Chevrolet C10 Pickup Gets a New Dash by Classic Dash - Hot Rod Network and also Chevy Electrical Wiring Harness | Midway Muscle Car.

Chevy 54 Truck Turn Signal Self-canceling Switch - The Stovebolt Forums

Chevy 54 Truck Turn Signal Self-canceling Switch - The Stovebolt Forums www.stovebolt.com

canceling self 1951 truck switch signal turn chev data assembly

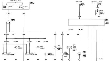
1972 Chevrolet Truck Wiring - Hot Rod Network

1972 Chevrolet Truck Wiring - Hot Rod Network www.hotrod.com

1972 truck wiring chevrolet chevy fuse wire block

1980 Chevy Truck Turn Signal Wiring Diagram Switch - Collection

1980 Chevy Truck Turn Signal Wiring Diagram Switch - Collection faceitsalon.com

sm211 delco autopartsdb colonne boitier

Pics For Turn Signal Housing Diagram - TriFive.com, 1955 Chevy 1956

Pics for turn signal housing diagram - TriFive.com, 1955 Chevy 1956 www.trifive.com

signal turn diagram housing chevy 1957 57 1956 1955 trifivechevys

Chevy Electrical Wiring Harness | Midway Muscle Car

Chevy Electrical Wiring Harness | Midway Muscle Car midwaymusclecar.com

chevy cigarette lighter truck blazer pickup feed wire power wiring harness suburban c10 electrical midway muscle

Chevy Electrical Wiring Harness | Midway Muscle Car

Chevy Electrical Wiring Harness | Midway Muscle Car midwaymusclecar.com

gauges

1967 Chevrolet Chevelle El Camino Malibu Tachometer Wiring Harness

1967 Chevrolet Chevelle El Camino Malibu Tachometer Wiring Harness www.ebay.com

chevelle

Signalstat 105Y78 Wiring Help - The 1947 - Present Chevrolet & GMC

Signalstat 105Y78 wiring help - The 1947 - Present Chevrolet & GMC 67-72chevytrucks.com

ron wiring

I Have A 1975 Chevy Pickup The Turn Signals Do Not Work, All Bulbs Are

I have a 1975 chevy pickup the turn signals do not work, all bulbs are www.justanswer.com

1975 chevy steering column turn justanswer brake pickup lights signal bulbs tail switch

1973 Chevy Truck Blinkers: Electrical Problem 1973 Chevy Truck Two...

1973 Chevy Truck Blinkers: Electrical Problem 1973 Chevy Truck Two... www.2carpros.com

blinkers

HUGE LOT OEM FORD Gaskets Head Valve Trans E6SZ-6584-A 2L5Z-7C155-AA

HUGE LOT OEM FORD Gaskets Head Valve Trans E6SZ-6584-A 2L5Z-7C155-AA southernsurplusinc.com

ford aa lot behind southernsurplusinc usd feb sku

1965 Chevrolet C10 Pickup Gets A New Dash By Classic Dash - Hot Rod Network

1965 Chevrolet C10 Pickup Gets a New Dash by Classic Dash - Hot Rod Network www.hotrod.com

c10

Turn Signals, Lighting & Lamps, Vintage Car & Truck Parts, Parts

Turn Signals, Lighting & Lamps, Vintage Car & Truck Parts, Parts picclick.com

signals

Emergency Flasher Wiring Diagram Gm - Wiring Diagram & Schemas

Emergency Flasher Wiring Diagram Gm - Wiring Diagram & Schemas wiringideas.blogspot.com

wiring gm diagram turn signal flasher mustang emergency forums

NEW CHEVY CORVAIR DELCO RADIO - HEATER WIRING HARNESS 60 61 62 500

NEW CHEVY CORVAIR DELCO RADIO - HEATER WIRING HARNESS 60 61 62 500 www.ebay.com

delco corvair

1980 chevy truck turn signal wiring diagram switch. Chevy cigarette lighter truck blazer pickup feed wire power wiring harness suburban c10 electrical midway muscle. Pics for turn signal housing diagram