audi a2 engine diagram

2004 Audi A4 Engine Diagram - Wiring Diagram. 17 Images about 2004 Audi A4 Engine Diagram - Wiring Diagram : Audi Workshop Manuals > A2 > Power unit > 3-cylinder TDI unit injector, Audi Q7 Engine Wiring Diagram - Wiring23 and also Index 33 - Automotive Circuit - Circuit Diagram - SeekIC.com.

2004 Audi A4 Engine Diagram - Wiring Diagram

2004 Audi A4 Engine Diagram - Wiring Diagram ni3-08.blogspot.com

audi a8 engine 2004 quattro diagram a4 wiring theory electrical basic block

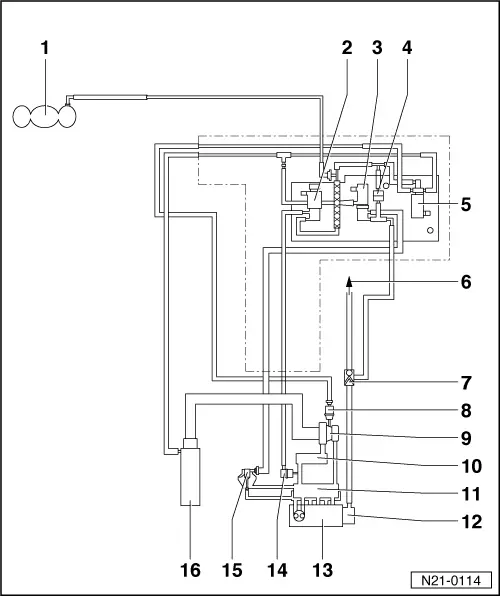
A3 2002 1.8T Automatic Cold Start Misfire Under Load Fault. - AudiWorld

A3 2002 1.8T Automatic Cold Start Misfire Under Load fault. - AudiWorld www.audiworld.com

8t a3 2002 under fault cold misfire start load audi automatic vacuum leak audiworld forums

Audi Workshop Manuals > A2 > Power Unit > 3-cylinder TDI Unit Injector

Audi Workshop Manuals > A2 > Power unit > 3-cylinder TDI unit injector workshop-manuals.com

reservoir turbocharger

Audi Q7 Engine Wiring Diagram - Wiring23

Audi Q7 Engine Wiring Diagram - Wiring23 wiring-23.blogspot.com

diagram intercooler

Index 33 - Automotive Circuit - Circuit Diagram - SeekIC.com

Index 33 - Automotive Circuit - Circuit Diagram - SeekIC.com www.seekic.com

circuit audi a6 8t diagram automotive engine seekic keyword robert published author

First Time Audi Owner: My A4 Revival - Page 4

First time Audi owner: My A4 revival - Page 4 www.audizine.com

Quattroworld.com Forums: G4 Crank Position Sensor And G28 Engine Speed

quattroworld.com Forums: G4 Crank Position Sensor and G28 Engine Speed forums.quattroworld.com

engine sensor g28 speed crank position g4 quattroworld transmission

Help Needed With Parts Or References | Audi A2 Owners' Club

Help needed with parts or references | Audi A2 Owners' Club www.a2oc.net

APR Audi B5 A4 1.8T ECU Upgrade

APR Audi B5 A4 1.8T ECU Upgrade www.goapr.co.uk

audi 8t a4 ecu upgrade tt 8l tsi a3 b5 octavia b6 passat engine vw mkii goapr volkswagen control apr

HOW TO INSTALL AN ENGINE IN THE CAR - Audi A4 3.2L - YouTube

HOW TO INSTALL AN ENGINE IN THE CAR - Audi A4 3.2L - YouTube www.youtube.com

Pin On Diagram Template

Pin on Diagram Template www.pinterest.com

wiper windscreen valeo servisi s2 diyparty99

Audi Workshop Manuals > A4 Cabriolet Mk2 > Power Unit > 6-cylinder

Audi Workshop Manuals > A4 Cabriolet Mk2 > Power unit > 6-cylinder workshop-manuals.com

manuals audi workshop cylinder head a4 mk2 cabriolet installing engine

Audi Q7 Engine Wiring Diagram - Wiring23

Audi Q7 Engine Wiring Diagram - Wiring23 wiring-23.blogspot.com

solenoid egr sensor valve emission egt

2004 Audi A4 - Other Pictures - CarGurus

2004 Audi A4 - Other Pictures - CarGurus www.cargurus.com

audi a4 2004 8t quattro cargurus engine sedan cars

Audi Workshop Manuals > A3 Mk2 > Power Unit > 4-cylinder Direct Petrol

Audi Workshop Manuals > A3 Mk2 > Power unit > 4-cylinder direct petrol workshop-manuals.com

engine manuals audi workshop unit a3 wiring mk2 harness duct remove control removing

Audi Workshop Manuals > A3 Mk2 > Power Unit > 6-cylinder Injection

Audi Workshop Manuals > A3 Mk2 > Power unit > 6-cylinder injection workshop-manuals.com

manuals audi workshop a3 mk2 engine detach hoses coolant removing

Fuse Box Audi A4 (B8)

Fuse box Audi A4 (B8) fusesdiagram.com

brake fusesdiagram g650x fuses versed corsa

Engine manuals audi workshop unit a3 wiring mk2 harness duct remove control removing. Audi a4 2004 8t quattro cargurus engine sedan cars. Manuals audi workshop cylinder head a4 mk2 cabriolet installing engine